Обратная связь
Каталог товаров
Масла и смазки
Фильтры
Стартеры, генераторы
Двигатель
Топливная система
Гидравлическая система
Трансмиссия
Электрика
Стекла, зеркала, дворники
Пальцы и втулки
Ковши, ножи, зубья
Элементы кузова, стрелы
Шины и диски
Бренды спецтехники
Полезная информация

Главная / Гидравлическая система / Гидроцилиндры и штоки / 556/60459 [ЕГА] Гидроцилиндр челюсти 470 мм (556/60331, 556/60077)

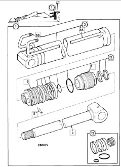
556/60459 [ЕГА] Гидроцилиндр челюсти 470 мм (556/60331, 556/60077)

Производитель: ЕЛЕЦГИДРОАГРЕГАТ

Номер: 556/60459

Количество на складе: 2

Цена: 37800р.

Описание: 556/60459P (556/60331, 556/60077) Гидроцилиндр челюсти Ram clamshovel 70x40, 470 closed centres
С этим товаром покупают:
У вас остались вопросы?
Наш менеджер свяжется с вами
в течение 20 минут.
Насос подкачки JCB
Аккумулятор JCB
Обзор ролика JCB